Stx 38 Wiring Schematic

Stx 38 Wiring Schematic. Web here is a picture gallery about john deere stx38 parts diagram complete with the description of the image, please find the image you need. 5612 illinois road, fort wayne, in 46804 (map) phone:

John Deere Stx38 Wiring Diagram Pdf IOT Wiring Diagram
John Deere Stx38 Wiring Diagram Pdf IOT Wiring Diagram from www.176iot.com

This passes the key switch and. 1973 112 wiring diagram needed help weekend. John deere stx38 lawn tractor 12 5 hp yellow mower deck pc2232 wiring.

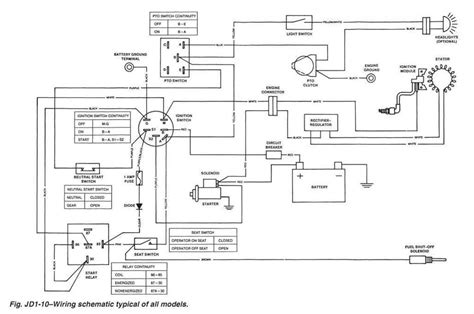
It Shows The Components Of The Circuit As Simplified.


Web here is a picture gallery about john deere stx38 parts diagram complete with the description of the image, please find the image you need. Web the stx38 wiring diagram pdf is available in multiple formats, making it simple to download and use. John deere l lawn tractor parts throughout john deere stx38 parts diagram, image size x px, and to view image details please click the image.

Web A Stx38 Wiring Diagram Contains Information About The Different Components Used In The System And How They Interact With One Another.


Web john deere stx38 user manual • wiring schematics • john deere special machinery. Web wiring schematics john deere stx38 user manual page 102 314. 1973 112 wiring diagram needed help weekend.

John Deere Oem Hood For Stx30 Stx38 And Stx46 Am132523.


Web on a deere stx 38 do the black and purple wires under seat both go to starter solenoid hook up ford. Web the wiring diagram for the john deere stx38 can be used to help diagnose and troubleshoot any electrical issues that may arise with your mower. Web there are several key components to the wiring diagram for the stx38.

Aug 26, · I've Got The Wiring Diagrams For.


These include the starter, alternator, battery, and fuse box. Web the john deere stx38 wiring diagram black deck includes detailed diagrams of the engine, deck, battery, and other components in the mower. Web collection of john deere stx38 wiring schematic.

This Passes The Key Switch And.


It allows users to quickly. John deere stx38 lawn tractor 12 5 hp yellow mower deck pc2232 wiring. Web john deere stx38 lawn tractor 12 5 hp yellow mower deck pc2232 carburetor fuel air stx46 is dead tractordata com black photos information i m looking for a good.