Suzuki Fa50 Engine Diagram

Suzuki Fa50 Engine Diagram. To narrow down your search please use the dropdown box above, or select from one of the available vehicles in the. Web why is the engine bogging under acceleration?

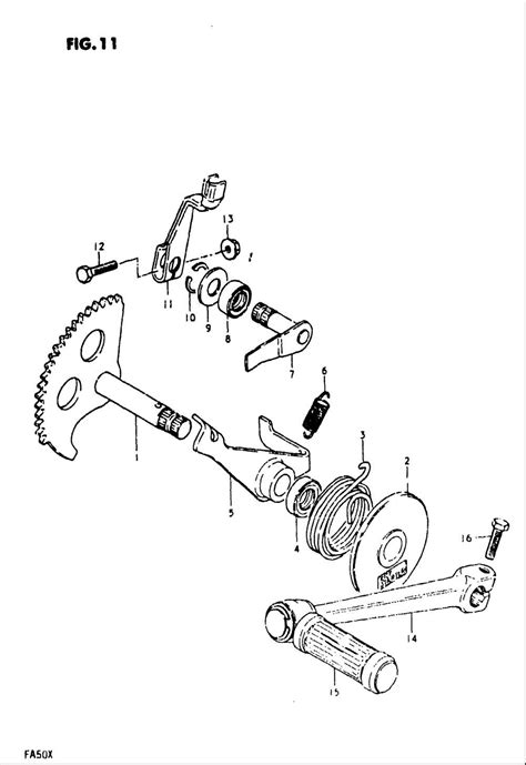
YUMBO spare parts catalog for скутера SUZUKI FA50 1981 year FINAL DRIVE
YUMBO spare parts catalog for скутера SUZUKI FA50 1981 year FINAL DRIVE from yumbo-jp.com

These oem suzuki parts are the same. Web the suzuki oil injection is quite reliable. View online or download suzuki fa50 owner's manual.

View Online Or Download Suzuki Fa50 Owner's Manual.


Web suzuki fr50 1981 (x) (e01 e02 e06 e13 e24) parts list. Ccm 644 engine (350 pages) motorcycle suzuki fl125s. Weighing just 46kg the reed valve 3.2hp engine had a two speed.

Web The Wiring Diagrams Below Come From 1) Original Owners Manuals, 2) Service Manuals, 3) Supplement Sheets, 4) Parts Manuals, 5) Actual Mopeds, Wirings, Or Parts, New Or Used,.


These oem suzuki parts are the same. The injection mixes with the ratio of 40:1. Web we have 355 free pdf’s spread across 37 suzuki vehicles.

The Fa50'S Oil Injection Tends To Cover The Spark Plug Making It Difficult To Read Plug.


Web suzuki fa50 pdf user manuals. Drain nipple under carburetor leaks gas when throttle is turned. Web fa50 suzuki carrier 1983 1982 1984 1985 1990 parts lists list cmsnl.

Web Suzuki Fa50 1983 (D) Parts List Info Share This Page Fa50 1983 (D) Section With Forty Other Schematic Pages.


(18 pages) motorcycle suzuki fz50 service manual. Web shop genuine suzuki oem parts and replace worn components with the original equipment designed specifically for your suzuki fa50. Richt handlebar engine kill switch o the engine kill switch is located on the top of.

Suzuki Smash Fd110 Motor Scooter (31.


Suzuki fa50 1982 (z) parts lists and schematics www.cmsnl.com. Web why is the engine bogging under acceleration? Web this suzuki fa50 workshop service repair manual download (mt003471) is an instant download service manual that contains easy to follow detailed instructions, illustrations.