System 2000 Wiring Diagram

System 2000 Wiring Diagram. These manuals are used in the inspection and repair of electrical circuits. The separate wiring manual for each model.

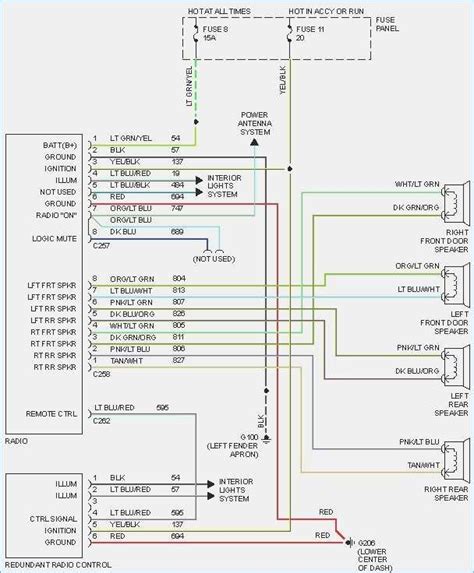
Repair Guides
Repair Guides from www.autozone.com

Web the dyna 2000 ignition wiring diagram includes all the necessary information to connect the system's power sources and switches. Web for these types of homes, system 2000 is ideal and available in two sizes. Web the wiring diagram of the tiger 2000 has several benefits.

Two Signal Wires, Power And Ground Wires, And A Drain Wire.


Web the nmea 2000® cable system includes five wires within a single waterproof cable: Web power distribution power distribution wiring diagram, new style (1 of 4) power distribution wiring diagram, new style (2 of 4) power distribution wiring. Web a wiring diagram illustrates the electrical connections between the various components by using abstract symbols that resemble the object.

I Need A Wiring Diagram.


Web air conditioning automatic a/c wiring diagram (1 of 2) for ford taurus se 2000 automatic a/c wiring diagram (2 of 2) for ford taurus se 2000 manual a/c. The separate wiring manual for each model. The drain wire shields the.

These Manuals Are Used In The Inspection And Repair Of Electrical Circuits.


Web for these types of homes, system 2000 is ideal and available in two sizes. Web the wiring diagram of the tiger 2000 has several benefits. The power sources are the battery.

Web The Dyna 2000 Ignition Wiring Diagram Includes All The Necessary Information To Connect The System's Power Sources And Switches.


7 3l idi manual glow plug controller switch wiring. First, it allows a person to design and build an effective and efficient electrical system. Get access all wiring diagrams car.

Get Access All Wiring Diagrams Car.


Web wanted 2001 f550 7 3 fuel pump wiring diagram ford truck enthusiasts forums.