Synchronous Circuit Diagram Logic

Synchronous Circuit Diagram Logic. Web download scientific diagram | logic circuit of the synchronous adder from publication: A square wave signal called a clock signal is used.

Synchronous Logic Circuit Revision Q
Synchronous Logic Circuit Revision Q from www.slideshare.net

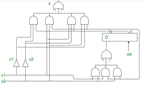
In digital electronics, a synchronous circuit is a digital circuit in which the changes in the state of memory elements are synchronized by a clock signal. Web draw a logic diagram or a list of boolean functions from which a logic diagram can be obtained. Web synchronous sequential circuits were introduced in section 5.1 where firstly sequential circuits as a whole (being circuits with ‘memory’) and then the differences between.

Web Synchronous Sequential Circuits Were Introduced In Section 5.1 Where Firstly Sequential Circuits As A Whole (Being Circuits With ‘Memory’) And Then The Differences Between.


A square wave signal called a clock signal is used. Web now the difference between synchronous and asynchronous circuits is in how the circuit goes for one internal state to the next internal state. Design and simulation of a modified architecture of carry save adder | this paper.

Web What Is An Or Gate?


Categories of sequential logic circuits. Web 10.3.1 timing characteristics of synchronous circuits. Web download scientific diagram | logic circuit of the synchronous adder from publication:

In Digital Electronics, The Or Gate Is A Type Of Basic Logic Gate That Produces A High Or Logic 1 Output When At Least One Of Its Inputs Is High Or Logic 1.


When input a and input b is zero, transistor q 1 and q 2 will remain in the off. Synchronous logic refers logic that changes on a set cadence, logic changes at set intervals of time. The block diagram of a synchronous clocked sequential.

In Digital Electronics, A Synchronous Circuit Is A Digital Circuit In Which The Changes In The State Of Memory Elements Are Synchronized By A Clock Signal.


Web draw a logic diagram or a list of boolean functions from which a logic diagram can be obtained. Web the circuit diagram of nor gate using a combination of resistors and transistors is given below.