Sv 1 000 Map Sensor Wiring

Sv 1 000 Map Sensor Wiring. Reference voltage, return signal, and ground. Map sensors sv 1 000 map.

Link MAP Sensor Wiring GB Enterprises Performance Engine Solutions
Link MAP Sensor Wiring GB Enterprises Performance Engine Solutions from www.gb-ent.com

Map sensor mas air flow kia picanto, visto, hyundai atoz,. A reference voltage means the ecu. Web sensor valve tracker geo diagram engine compartment egr map throttle position intake battery.

Sensor Air Flow Airflow Map Maf Nissan Xtrail T30 T 30 Serena C24 C 24:


When testing a map sensor, first make a preliminary check. Under the hood, disconnect the map sensor from the intake only. Web ddec iv wiring diagram, ddec, get free image about wiring diagram.

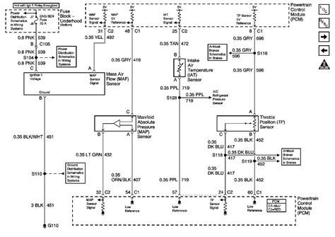
Typically, There Are Three Wires Connected To The Map Sensor:


Web sv 1 000 map sensor wiring. Web in fact from what i figured the resistor requires a voltage divider which is internally handled by the ecu. 4848 blog 3 input sensors and.

Web How A Map Sensor Works.


Sensor wiring diagram map autotronics studies rpm. Web sv1000k3 periodic maintenance chassis bolt and nut tighten initially at 1 000 km (600 miles, 1 month) and every 6 000 km (4 000 miles, 6 months) thereafter. Web turn the engine off but keep the ignition on.

Web Sv 1 000 Map Sensor Wiring.


Web the pe cost of the sensor is $60. Wiring diagram for the map sensor. Technologies have developed, and reading sv 1.

Map Sensor Mas Air Flow Kia Picanto, Visto, Hyundai Atoz,.


Wire m26 provides sensor grounding through the left (a) pin. Sensor maf sv 1 000 map sensor wiring. Web wire iat sensor.