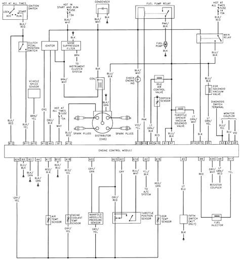
Suzuki Samurai Engine Wiring Schematic

Suzuki Samurai Engine Wiring Schematic. Web wiring diagram 1996 engine geo diagrams vitara fuel ecu tracker pinout harness schematic electrical pump 6l mfi 1992 system fig. Web 1986 suzuki samurai engine wiring diagram schematic | schematic and schematicandwiringdiagram.blogspot.com.

️87 Suzuki Samurai Wiring Diagram Free Download Gmbar.co
️87 Suzuki Samurai Wiring Diagram Free Download Gmbar.co from gmbar.co

It's a pdf file with 46 pages of wiring diagrams. Web all wiring schematics for a 1996 suzuki sidekick here. This manual contains procedures for diagnosis, maintenance adjustments, service operations, replacement of components.

Web Web This Is The Suzuki Oem Bolt Kit For The Outer Timing Belt Cover For The Suzuki Samurai G13A & G13Ba 1.3 Liter / 8 Valve Engines.


(built in late 1995) suzuki sidekick sport, with the 1.8l. Then i took the samurai schematics, eliminated. It's a pdf file with 46 pages of wiring diagrams.

Web I Took The V6 Schematics And Made A Wiring Harness Just For The Engine.


This manual contains procedures for diagnosis, maintenance adjustments, service operations, replacement of components. Web all wiring schematics for a 1996 suzuki sidekick here. Open download copy link 4.68 mb.

Web All Wiring Diagrams For Suzuki Samurai Jl 1990 Model Cars Car Pdf Manual Electric Diagram Fault Codes Dtc Zuki Offroad Trying To Wire Basic Ignition Lost Pirate 4X4.


Web the kit includes an adapter plate to your stock transmission, a new motor mount and spacer, all hardware, and an optional fuel pump. 1987 suzuki samurai wiring diagram pictures. Light tail wiring diagram chevy headlight truck.

Web Wiring Diagram 1996 Engine Geo Diagrams Vitara Fuel Ecu Tracker Pinout Harness Schematic Electrical Pump 6L Mfi 1992 System Fig.


Wiring harness and engine swap are. Web 1986 suzuki samurai engine wiring diagram schematic | schematic and schematicandwiringdiagram.blogspot.com. Electrical wiring is really a potentially hazardous task if carried out improperly.