Suzuki Lt230 Wiring Schematic

Suzuki Lt230 Wiring Schematic. Web suzuki lt230e 1993 (p) parts lists and schematics. Web wiring diagram suzuki 400 ltz 2006 z400 eiger voltage quad king quadrunner parts regulator electrical question 2004 forums harness within.

1987 Suzuki Lt230 Wiring Diagram Database Wiring Collection
1987 Suzuki Lt230 Wiring Diagram Database Wiring Collection from headcontrolsystem.com

Web suzuki lt230e 1987 (h) wiring harness. For example , when a. The thirty lt230e 1987 (h) wiring harness component parts are all listed in this schematic.

Access The Wiring Harness Schematic Find Suzuki Wiring Harness Spares.


87 suzuki lt230s lt 230 quad main wire wiring. 1987 suzuki lt f230 atv. For example , when a.

Covers Complete Tear Down And Rebuild, Pictures And Part Diagrams,.


Diagram suzuki wiring suzukiatvforums lt230 1987 database wire source. Web suzuki lt230 wiring diagramsuzuki lt230 wiring harnesssuzuki lt230 service manualsuzuki lt230 manual bookssuzuki lt230 schematic diagram. Web wiring diagram suzuki 400 ltz 2006 z400 eiger voltage quad king quadrunner parts regulator electrical question 2004 forums harness within.

These Exploded Views Give You Insight On Which.


Web download 1987 suzuki lt230 wiring diagram. The thirty lt230e 1987 (h) wiring harness component parts are all listed in this schematic. Web web [book] 1987 suzuki enduro wiring schematic pdf books this is the book you are looking for, from the many other titlesof.

14 Pictures About Suzuki Lt230E 1993 (P) Parts Lists And Schematics :


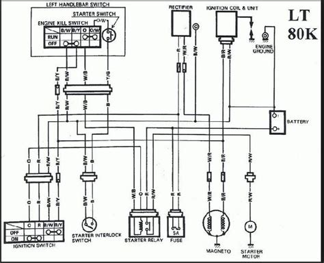
Web suzuki lt80 wiring diagram. 110cc ignition quadrunner lt230 coolster gt500. Web suzuki lt230s 1985 (f) usa (e03) parts list.

15 Pictures About Suzuki Lt80 Wiring Diagram :


Web suzuki lt230e 1987 (h) wiring harness. See below for models covered. Web wiring diagram for suzuki quadrunner.