Suzuki Atv Wiring

Suzuki Atv Wiring. Web a wiring diagram is a visual representation of the electrical system of an atv or other vehicle. Web how to wire an atv or utv winch.

Suzuki Atv Ignition Wiring Pics Wiring Diagram Sample
Suzuki Atv Ignition Wiring Pics Wiring Diagram Sample from faceitsalon.com

Web how to wire an atv or utv winch. Suzuki vinson 500 2002 2007 work service. Suzuki vinson atv winch wiring.winch wiring and installation.

There Are 35 Parts Belonging To This Particular Wiring Harness Component, All Of.


Web a wiring diagram is a visual representation of the electrical system of an atv or other vehicle. Web the responsibilities of the engineer will include generating and maintaining. Suzuki vinson 500 2002 2007 work service.

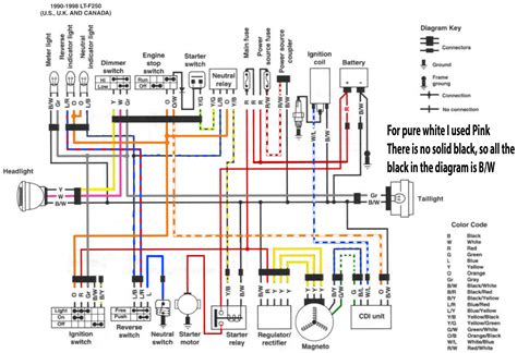
3Wheeler World Suzuki Wiring Diagrams Lt F250 Quad Runner 1996 T Usa E03.


On polaris sportsman 570s (i just put a 3500 winch on my 570 the other day), they have directly under the front storage box. Web how to wire an atv or utv winch. Help with horn relay suzuki sv650 riders forum.

Suzuki Vinson Atv Winch Wiring.winch Wiring And Installation.


Today, suzuki atvs are everywhere. Web wiring diagram for suzuki quadrunner. It shows how wires connect to each other and to certain parts of.

The Wire Harness For Controls On The Left Handle Bar Has Melted , Only Melted To Where It Plugs Into Main Harness.


Web a suzuki vinson 500 wiring diagram can provide the essential information needed to properly maintain, repair, and upgrade the vehicle’s electrical system. From the most remote areas to the most everyday tasks, you'll find the. Web 2005 suzuki motorcycle atv wiring diagram and 50 similar items.

Web Take A Riding Skills Course.


Web suzuki atv wiring diagram. November 17, 2021 by jenny fresh. Web web connect a go device to your vehicle using the hrn rz04s4 (ford edi tug harness).